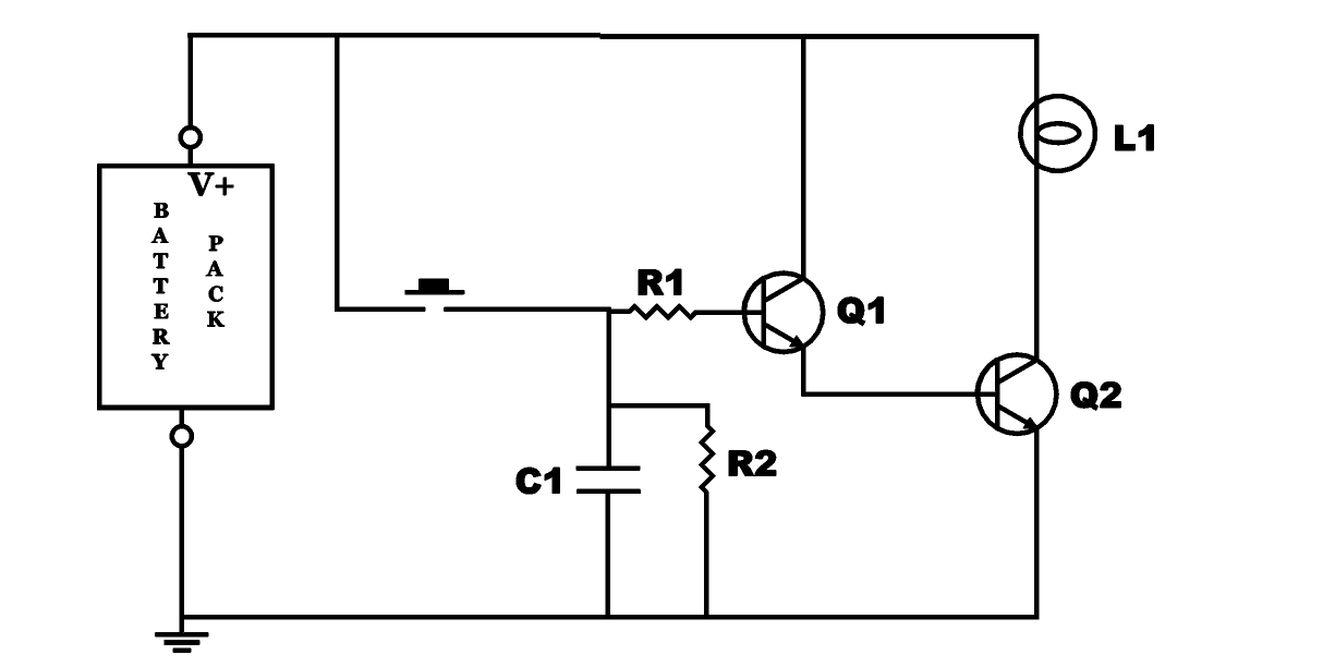
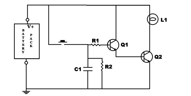
On Saturday, I reported that I didn’t have enough current gain in my autofade lamp test circuit to get a flashlight lamp to glow. The solution was to insert a second transistor, so that the circuit looks like this now:
This is presented in a second video in the autofade lamp series.
Here is the first video in case you missed it:
And here is the second video, about my adventures in upgrading the test circuit:
And so it might be time to start looking at enclosures, reflectors, and diffusers.
