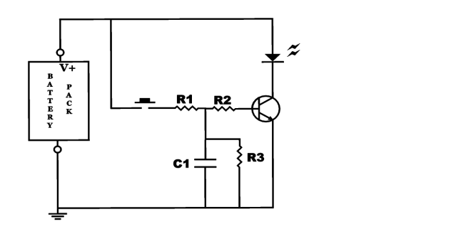
So, as you recall from my previous entry, I wanted to build an autofade table lamp based on this circuit diagram:
This is how the test circuit looks in reality (the hand, by the way, is my nephew’s):
(Note that resistor R1 in the schematic was omitted in the test circuit. Didn’t need it, turns out.)
So . . . did it work? Actually, yes. It doesn’t look like I have a photo of the LED lit when the button isn’t being pushed, but I did take video of that.
I’m going to put together a Youtube video soon that will include the raw video that I took of the test circuit in operation. Then we’ll move onto making a prototype.

In the March 7 post to this blog, I upgraded this circuit to two transistors. See the post entitled ‘Autofade Lamp Test Circuit Upgrade.’
https://engineerzero.wordpress.com/2011/03/07/autofade-lamp-test-circuit-upgrade/