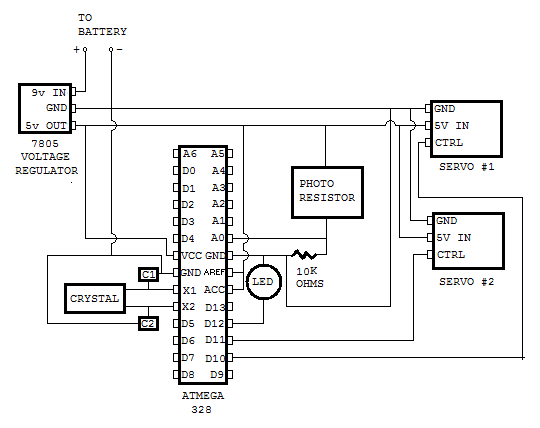
I’ve been working on this thing for months now, and it seems rather odd that only today did I think to make a circuit diagram. I think this is correct.
I’ll get around to posting a photo soon too and maybe even make some kind of collage to compare diagram to physical layout.
