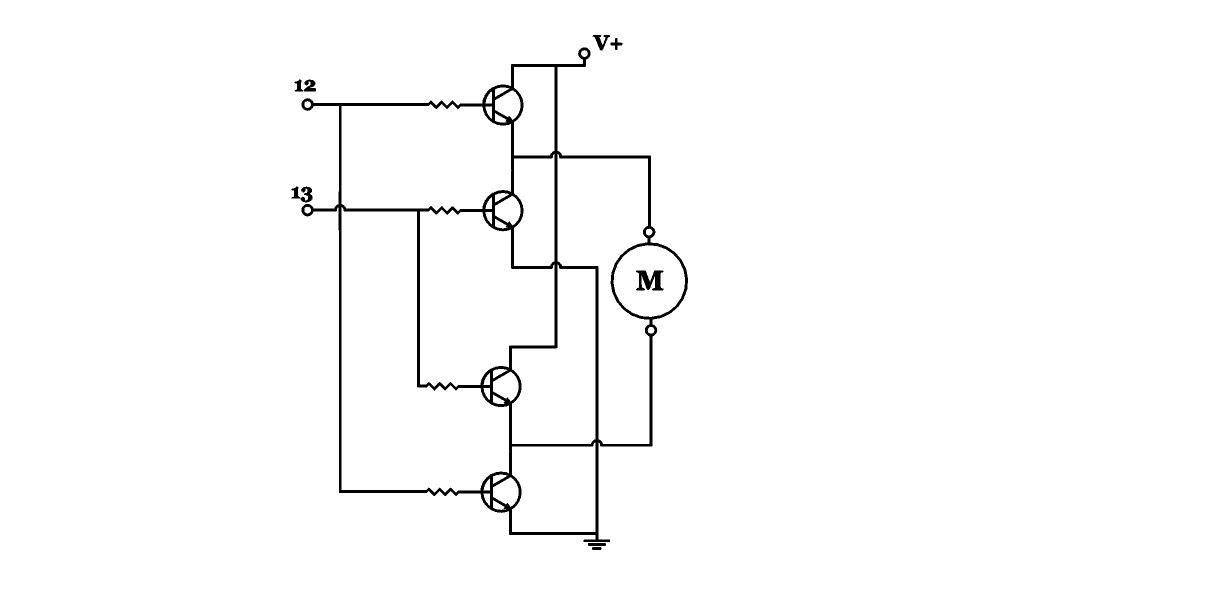
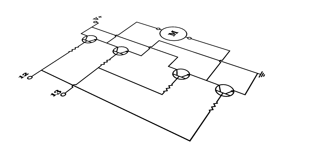
Sure, your electronics graphics program can make 2D schematics. But can you do this?
“Why would I ever want to do that?” you ask. Well, say that you’re putting together a presentation and want to hi-lite specific parts of the circuit, like so:
Sang is now calling attention to a specific resistor and the red transparent line is showing what happens when pin 12 goes high. The angle of viewing calls attention to the input side of the circuit.
Well, I think it makes a circuit schematic look visually appealing as opposed to Zzzzzzzzzzz. But maybe that’s just me.
As for what this circuit does, well, I’m working on a presentation.


